


优利德
MSO7000X系列高带宽混合信号示波器,拥有非凡的性能指标,全面细致的分析功能,人性化的触控体验,助您在科技的海洋无限探索。 2GHz带宽是高端示波器的起点,MSO7000X系列带宽高达2.5GHz,在高速信号分析中有明显
2GHz带宽是高端示波器的起点,MSO7000X系列带宽高达2.5GHz,在高速信号分析中有明显的优势。MSO7000X波形捕获率高达2,000,000 wfms/s,结合1Gpts超长存储深度,显著提升异常信号捕获能力,以及波形细节测量和分析能力。搭载Win10 64位操作系统,为用户提供稳定可扩展的系统平台,通过提供示波器API接口,显著提升系统的智能化程度,满足日益复杂的用户需求。

MSO7000X系列作为优利德旗舰级示波器,拥有高达2.5GHz模拟带宽和10GSa/s采样率,上升时间仅为175ps,结合1Gpts存储深度,让您在超长记录的同时拥有更高的信号保真,以及对波形更真实的整体和细节测量。
任意组合、任意大小、悬浮、下沉、全屏分窗口
-支持波形移动、缩放
-支持窗口拖拽改变布局
-支持弹窗钉住,减少多窗口间频繁切换
-支持屏幕扩展,提高多任务处理效率!
MSO7000X采用优利德独创的UltraAcq®技术,可提升实时波形捕获率至 2,000,000wfms/s
搭配全新的Ultra Phosphor® 3.0超级荧光显示技术,瞬变信号一览无余,清晰呈现。
-SCPI远程控制
-远程查看和控制
-导出波形文件
-在线浏览使用手册
-支持手机访问
利用Matlab强大的数学库,您可以将编译好的Matlab代码直接拷贝至示波器运行
运行结果直接显示在示波器界面
MSO7000X在数学运算方面不亚于世界上任何一台示波器。
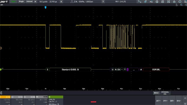
标配:RS-232/422/485/UART、SPI、I2C、 CAN、LIN
选配:CAN-FD、SENT、FlexRay、AUDIO(I2S,LJ,RJ,TDM)、 MIL-STD-1553、ARINC429
-支持数据触发和包类型触发
-支持事件列表和搜索功能
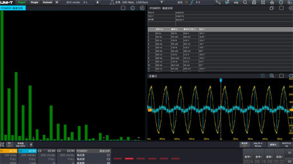
- 输入分析:电源质量、谐波分析、浪涌电流
- 输出分析:纹波分析、调制分析、效率、启动/关闭时间
- 开关分析:开关损耗、安全工作区、di/dt、dv/dt、RDS(on)
- 频率响应分析:控制环路响应(Bode)、电源抑制比(PSRR)
若您想了解更多,请查阅《高级电源分析》手册
抖动分析视图:眼图、趋势图、直方图、频谱图、浴盆曲线
抖动测量:TIE、Cycle-Cycle抖动、周期抖动、 TJ、RJ、
DJ、DDJ、DCD、ISI
支持高速串行协议信号完整性分析:
- USB2.0
- 10/100/1000M工业以太网
- 10/100/1000M车载以太网
- MIPI D-PHY
若您想了解更多,请查阅《高速信号完整性之抖动分析和眼图》手册
一致性分析是确保不同厂家生产的同一类接口的互操作性的唯一途径,但不同接口的一致性测试规范则是由不同协会或机构开发。解读标准并通过人工进行一致性测试需要花费用户几个小时甚至几天时间,优利德一致性分析软件则将这个时间缩短至几分钟内。
通过不断更新和契合最新的行业标准,优利德推出以示波器+有源探头+测试夹具为主的高速协议一致性分析解决方案。
MSO7000X支持的接口协议:
-10/100/1000Base-T
-USB2.0
-10/100/1000Base-T1
