


MSO7000HD 系列/MSO7308HD/MSO7208HD
优利德
MSO7000HD系列是一款高性能高分辨率示波器,专为工业电子、科研等领域的高速信号测试需求打造。配备8通道、2GHz/3GHz带宽,以12bitADC分辨率+4bitERES强化信号细节还原,搭配10GSa/s最高采样率、1Gpt
MSO7000HD 系列是一款高性能高分辨率示波器,专为工业电子、科研等领域的高速信号测试需求打造。配备 8 通道、2GHz/3GHz 带宽,以 12bit ADC 分辨率 + 4bit ERES 强化信号细节还原,搭配 10GSa/s 最高采样率、1Gpts 最大存储深度及 1,000,000wfms/s 的高波形捕获率,可高效完成高速信号完整性测试与复杂系统调试,是专业领域的优质测试工具。

高分辨率示波器MSO7000HD 系列特点:
模拟通道数:8
模拟带宽:3GHz/2GHz(每通道)
实时采样率:10GSa/s(每通道)
存储深度:1Gpts(每通道)(opt.)
波形捕获率:1,000,000wfms/s
数字通道:60MHz,2CH(opt.)
8个模拟通道使您能在时域中观察更多信息
MSO7000HD系列高分辨率示波器集成了八个模拟通道, 这些通道可以独立打开窗口或在同一个窗口分区展示,便于您在时域中观察更多信号信息。同时还标配了74种测量功能、并提供丰富的专业应用软件,使您可以深入洞察信号细节。
示波器专用AFE模拟前端芯片组提供非凡性能
-底噪:50mV/div,满带宽底噪低至800μV(典型值)
12bitADC分辨更清晰
延续X型刀锋硬朗造型设计,比同类产品更紧凑、更便携、更有质感。
搭载12bit ADC,半通道10GSa/s采样率、1Gpts存储深度
在高动态范围的信号测试中更容易区分小信号细节
高级滤波设计器提供精准实时的数字滤波,
快速优化信号质量并改善系统性能!
Matlab嵌入式编程
利用Matlab强大的数学库,您可以自定义编写数学算法,您可以直接运行Matlab代码,并将结果直接显示在示波器界面中。同时也提供了增强型FFT、基本运算和几十种高级公式组合编辑,其强大的数学分析功能,满足您更多分析需求!
电源完整性分析14+
MSO7000HD提供全方位电源完整性分析,覆盖:
- 输入分析:电源质量、谐波分析、浪涌电流
- 输出分析:纹波分析、调制分析、效率、启动/关闭时间
- 开关分析:开关损耗、安全工作区、di/dt、dv/dt、RDS(on)
- 频率响应分析:控制环路响应(Bode)、电源抑制比(PSRR)
若您想了解更多,请查阅《高级电源分析》手册
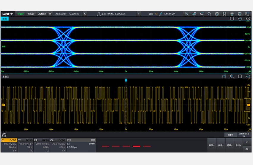
使用MSO7000HD系列抖动和眼图分析高速串行信号完整性
自动化一致性测试软件缩短产品合规性验证时间
一致性分析是确保不同厂家生产的同一类接口的互操作性的唯一途径,但不同接口的一致性测试规范则是由不同协会或机构开发。解读标准并通过人工进行一致性测试需要花费用户几个小时甚至几天时间,优利德一致性分析软件则将这个时间缩短至几分钟内。
通过不断更新和契合最新的行业标准,优利德推出以示波器+有源探头+测试夹具为主的高速协议一致性分析解决方案。
支持的接口协议:
USB2.0、100/1000Base-T1、100/1000Base-T